Installations Antilles Guyane

Système solaire thermique du Beach Hotel Saint Martin – Solution ESE SOLAR Antilles Guyane

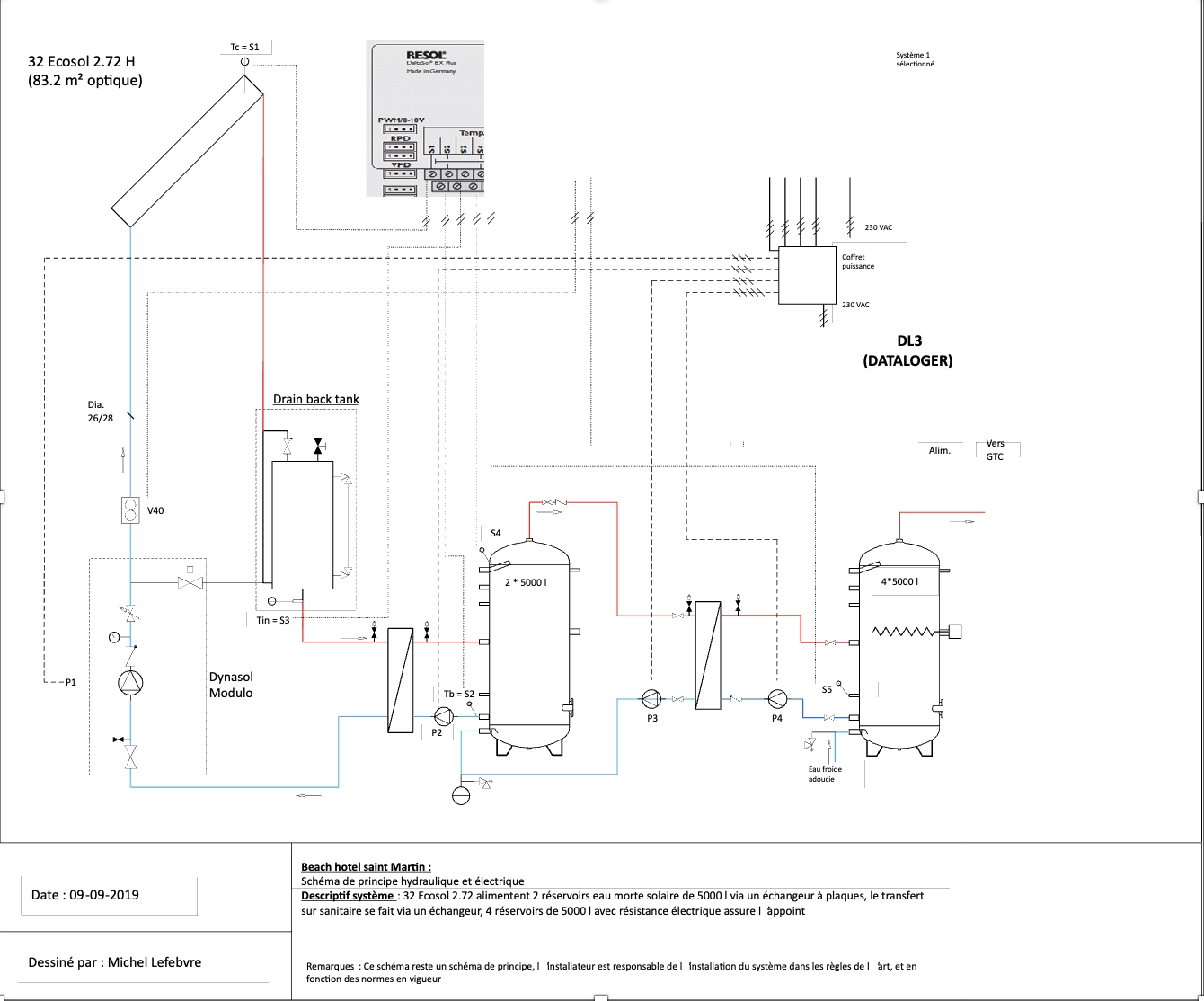
Le Beach Hotel Saint Martin bénéficie d’une installation solaire thermique de grande capacité conçue par ESE SOLAR. Grâce à 32 capteurs ECOSOL et 4 réservoirs de 5000 litres, le système assure une production d’eau chaude fiable et parfaitement adaptée aux besoins d’un établissement hôtelier.

Une production solaire de grande envergure pour le Beach Hotel Saint Martin

Le schéma de principe (page 1) montre que l’installation repose sur 32 capteurs ECOSOL 2.72 H, représentant une surface optique totale de 83,2 m². Ce champ solaire de forte puissance permet d’alimenter deux grands réservoirs d’eau morte de 5000 litres, utilisés comme source de chaleur primaire pour la production d’eau chaude sanitaire de l’hôtel.
Le tout est piloté par une régulation Dynasol Modulo, garantissant un fonctionnement optimisé et sécurisé.

Un système drainback pour protéger l’installation

L’installation utilise un circuit drainback, comme indiqué au centre du schéma. Ce système permet au fluide caloporteur de se vidanger automatiquement des capteurs lorsque la pompe s’arrête. Cela évite la surchauffe, prolonge la durée de vie des équipements et facilite la maintenance, un avantage crucial pour les grandes installations hôtelières en climat caribéen.

Un échangeur à plaques pour un transfert efficace vers l’ECS

Les deux réservoirs solaires alimentent un échangeur à plaques (indiqué entre P3 et P4) chargé de transférer la chaleur vers le circuit d’eau chaude sanitaire. Cette configuration assure une séparation totale des circuits et une excellente efficacité thermique.
L’eau chaude produite est ensuite dirigée vers quatre réservoirs ECS de 5000 litres, équipés de résistances électriques pour assurer l’appoint en cas de forte demande.

Un suivi avancé des performances grâce au datalogger DL3

Le schéma intègre un DL3 (Datalogger), permettant un suivi en temps réel de la production solaire, des températures, des débits et des performances globales du système. Les données peuvent être transmises vers la GTC (gestion technique centralisée), un atout essentiel pour un hôtel nécessitant une supervision continue.

Une solution ESE SOLAR spécialement conçue pour les grandes structures

Cette installation illustre parfaitement l’expertise dESE Solar Antilles Guyane dans les systèmes solaires thermiques de haute capacité. Grâce à cette infrastructure, le Beach Hotel Saint Martin bénéficie d’une eau chaude abondante, d’importantes économies d’énergie et d’une fiabilité adaptée aux exigences du secteur hôtelier.

faites confiance à Giordano R Energy

Economisez et contribuez à la planète

Votre Panier
0
Code de réduction
Sous Total

 

Vous semblez être en France. Accédez à la version locale ?

OUI